DP 0410T

PDF à Télécharger

Spécifications

Vide maximum: -773 mbar
Débit d´air nominal: 34 l/min
Tension nominale: 24 V
Pression maximum: 1.5 bar
Puissance consommée: 2,5-4.0 A
Type de courant: Continuous
Durée de vie: 5.000 h
Outlet (Inlet): Rc 1/8
Classe d'isolation: E type equivalent
Dimension pour le montage (L x W): 166 x 84mm
Poids brut: 1,6 kg

Airflow & Power Consumption
(click to enlarge)

24V

24V

24V

Application Examples
DP 0410T

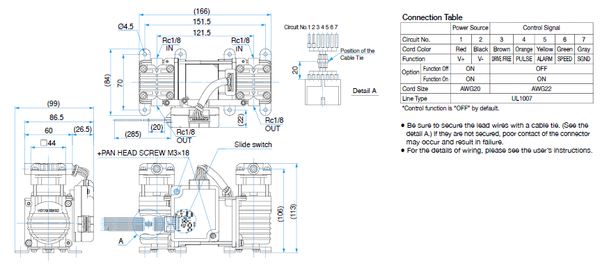
Sketch Drawing and Mounting Dimensions Diagram (mm)

DP 0410T

Contactez Nitto Germany

NITTO KOHKI EUROPE GMBH
Gottlieb-Daimler-Str. 10
71144 Steinenbronn
Germany
Telephone:+49 (0)7157 989 555-0
Telefax: +49 (0)7157 989 555-40

Contactez Nitto UK

NITTO KOHKI EUROPE GMBH UK BRANCH
Unit A5, Langham Park, Maple Road
Castle Donington, Derbyshire
DE74 2UT
United Kingdom
Telephone: +44 (0)1332 653 800
Telefax: +44 (0)1332 987 273

Nous utilisons des cookies sur notre site web. Certains d’entre eux sont essentiels au fonctionnement du site et d’autres nous aident à améliorer ce site et l’expérience utilisateur (cookies traceurs). Vous pouvez décider vous-même si vous autorisez ou non ces cookies. Merci de noter que, si vous les rejetez, vous risquez de ne pas pouvoir utiliser l’ensemble des fonctionnalités du site.

Ok